サイト内の現在位置
業務プロセスの可視化と改善「NEC 業務改善ソリューション(BPM)」

NEC 業務改善ソリューション(BPM)とは?
企業組織における業務プロセスはERP等に代表される業務システムによってIT化が進んでいますが、業務カバー率は2割にとどまり8割は属人的、いわゆる非定型業務とも言われています(NEC実績)。非定型業務は人による判断・スキルといった「勘」、「コツ」、「ノウハウ」に依存する傾向があり、不均一な効率・品質の原因にもなりがちです。NEC 業務改善ソリューション(BPM)では、このような“8割”の領域を含んだ業務プロセスの可視化・改善・IT化をご支援します。
NEC 業務改善ソリューション(BPM)の2つのサービス
NEC 業務改善ソリューション(BPM)には、以下の2つのサービスがあります。
| NEC 業務プロセス コンサルサービス |
NEC 業務プロセスコンサルサービスは、業務を絞らず業務全体像を可視化し、改善ポイントを導き出し、改善プロセスの策定まで行うサービスです。ここで策定された改善施策に従って、RPA・AIの活用や電子業務手順書と言った手段につなげることが出来ます。 |
| NEC 業務改善短期 アセスメントサービス |
NEC 業務改善短期アセスメントサービスは、最短1週間で現状業務を可視化し、改善ポイントを提示するサービスです。ポイントは、まず、事前に対象業務を選定して絞り、ヒアリングさせていただき、実際の業務をモデリングし、改善箇所と分析を行いご報告します。 |
NEC 業務プロセスコンサルサービスは、業務プロセスの可視化、改善ポイントの導出、改善プロセスの策定まで行うサービスです。
NEC 業務改善短期アセスメントサービスは、最短1週間で現状業務を可視化し、改善ポイントを提示するサービスです。

今までの事業活動の見える化は情報(数値)と基幹の業務プロセスが中心でした。しかし、これらの業務は実際は「人に依存した業務」が占める部分が多くあると考えられます。企業競争力を高めるため、「業務プロセスの改善」という施策に力を注いでいる会社は多いと思われます。しかし、必ずしも施策が功を奏しているとは限らないと思われます。それは、業務プロセスの正しい"現状の把握"と効果的で効率的な"改善ポイント"が見出せず、改善に要した時間ほど効果が現れていないためと考えられます。NEC 業務コンサルサービスは「タスク」というプロセスの一部に焦点を当てて業務プロセスを改善するのではなく、RPA、AI、システム、人などが含まれる業務プロセス全体を可視化した上で、問題や課題を抽出しその解決策をTo-Beモデルとして定義作成することを支援するサービスです。またTo-Be化したプロセスは業務全体をナビゲーションする業務手順書として活用することが期待できます。
業務プロセス改善のよくある課題
「RPA・AI・システム・人作業の混在」
様々な業務プロセスを改善する場合、RPAやAIなどの登場により、RPA、AI、システム、そして人の作業が「混在」し、その結果全体の可視化が煩雑になり、以下のような課題が発生する懸念があります。

業務プロセス改善のよくある課題を解決するには・・・
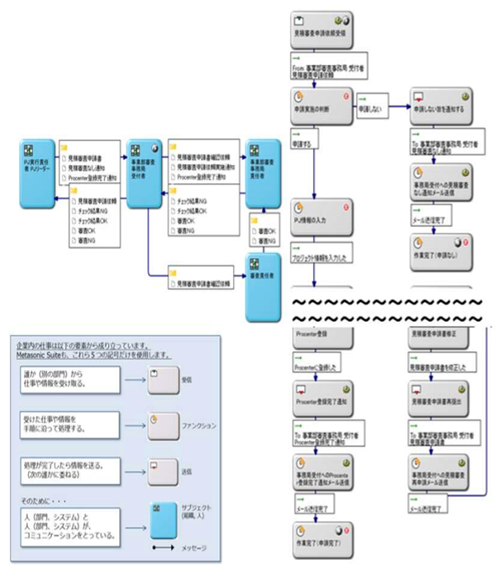
下記の図のように、RPA、AI、システム、そして人の作業を問わず、プロセス全体の流れが見える化されている状態を作り上げることが理想です。

業務プロセス改善の主な作業ステップ
| ①業務全体像の可視化 | ヒアリング内容に基づき、現状の業務プロセスの全体像を可視化します。 |
| ②改善コンセプト検討 | 作業全体像をもとに、改善コンセプトを検討。詳細ヒアリング対象を決定します。 |
| ③実行レベルの 手順可視化 | 作業者の実行レベルで現状の業務プロセスのヒアリングを実施します。ヒアリング内容に基づき、作業者ごとの実行レベルの手順で業務を可視化します。 |
| ④ToBeプロセス作成 | 役割毎の権限情報を標準化。改善施策を策定し、 ToBeプロセス作成します。 |
| ⑤コンサルティング 結果ご報告 | 対象業務における改善箇所の確認と改善効果の検証を実施します。 |
上記業務をご支援し、可視化プロセス、診断結果報告書(プロセスに起因する真の課題・リスク抽出と改善ポイント)を納品いたします。


資料請求・お問い合わせ